개요

DYD-11
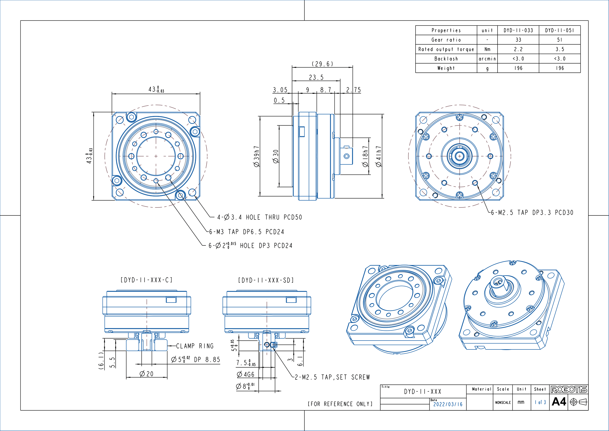
세부사양
| 속성 | 단위 | DYD-11-033 | DYD-11-051 |
|---|---|---|---|
| 감속비 | - | 33 | 51 |
| 정격 토크 (@2,000rpm) | Nm | 2.2 | 3.5 |
| 허용 피크 토크 (가속/감속) | Nm | 8.8 | 14 |
| 허용 피크 토크 (비상 정지) | Nm | 28 | 28 |
| 정격 입력 속도 | rpm | 2,000 | 2,000 |
| 최대 입력 속도 | rpm | 8,500 | 8,500 |
| 관성 모멘트 | x10-4 kgm2 | 0.022 | 0.024 |
| 백래시 | arcmin | <3.0 | <3.0 |
| 효율 (@2,000rpm, 20℃) | % | 65 | 65 |
| 기동 토크 | cNm | 5 | 3 |
| 증속 기동 토크 (백드라이브) | Nm | 1 | 1 |
| 수명 | hour | 7,000 | 7,000 |
| 크기 | mm | □43 × 23.65 | □43 × 23.65 |
| 무게 | g | 196 | 196 |
참고: 제품의 성능 개선을 위해 사양은 변경될 수 있습니다.
점검
- 형번 및 형식이 주문한 제품과 일치하는지 확인해 주십시오
- 포장박스 내에 구성품이 전부 들어 있는지 확인해 주십시오
- 제품 표면 및 외형에 손상이 없는지 확인해 주십시오
![]()
주의
(상해나 제품 손상의 원인이 됩니다.)
- 제품의 분해 및 재조립을 하지 마십시오. 제품을 분해 및 재조립 하는 경우, 기존의 성능을 재현할 수 없습니다.
- 허용 피크 토크 (비상 정지) 이상의 부하를 가하지 않도록 주의하십시오.
- 제품을 떨어뜨리거나 강한 충격이 가해진 경우 사용하지 마십시오
- 제품 사용전 메뉴얼의 내용을 숙지하십시오. 정확히 조립하지 않고 운전하는 경우 진동, 수명저하, 파손등의 원인이 됩니다.
- 주위온도 -5~55도에서 사용하십시오.
- 물과 기름 또는 폭발성 가스의 영향을 받지 않는 곳에서 사용하십시오.
- 먼지, 칩등이 제품 내부로 들어가지 않도록 주의하십시오.
- 입/출력축에는 고신뢰성의 오일씰이 적용되어 있지만, 누유를 완전히 보장하지 않습니다. 용도에 따라 유분 방호처리를 해주시기 바랍니다.
- 출하시에 방청 처리를 하지만 보관 및 환경에 따라 일찍 녹이 스는 경우가 있으니 주의해 주십시오
- 일부 제품은 표면처리가 되어 있지만 방청을 보장하지는 않습니다.
- 본 제품은 조립상에서 윤활제가 봉입되어 있으며, 다른 윤활제를 혼입하여 사용하지 마십시오.
- 윤활제 처리방법은 법령으로 의무화 되어 있으며, 법령에 따라 적절하게 처리하시기 바랍니다.
![]()
경고
- 윤활제가 눈 또는 피부에 닿을 경우 염증을 일으킬 수 있으니 주의하시기 바랍니다,
- 윤활제가 눈에 들어간 경우, 깨끗한 물로 씻고 의사의 진단을 받으십시오
- 윤활제가 피부에 닿은 경우 물과 비누로 깨끗이 씻으십시오
보증 기간 및 범위
- 정상 조립 상태에서 사용하는 조건으로 구입후 1년 또는 운전시간 2,000시간 입니다.
- 보증기간 내에 제조상의 문제로 결함이 있는경우 수리 또는 교환해 드립니다.
- 고객의 부적절한 취급 또는 사용에 의한 경우
- 임의의 개조 또는 수리에 의한 경우
- 고장의 원인이 해당품 이외인 경우
- 기타 천재지변등으로 당사의 책임이 없는 경우
- 해당품의 고장으로 유발되는 다른 손해 및 장비에 설치에 관련되는 기타 비용 등은 당사의 부담에서 제외됩니다.
효율특성
감속기의 효율은 주변 환경의 온도 및 입력속도에 따라 달라질 수 있으며, 특히 입력속도-출력부하에 대한 효율특성은 다음과 같습니다.


기구도면

옵션 및 조립공차
입력부 샤프트 옵션
DYD의 입력부에 구동 시스템(모터 또는 구동소스)을 구성함에 있어서 다양한 입력축이 제공될 수 있습니다.
| 옵션 | Type - C | Type - SD |
|---|---|---|
| 형태 | ![]() |
![]() |
| 명칭 | 클램프 링 | Set-screw (D-컷) |
조립공차
DYD를 적용하여 시스템을 구성함 있어서, 입력부, 출력부, 고정부에 대한 참조 형상과 각 파트의 치수공차 및 기하 공차를 활용하여 효율적으로 시스템을 구성할 수 있습니다.




